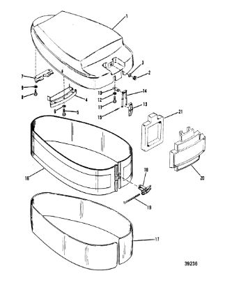
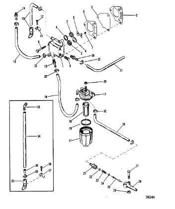
Запчасти для 2-х тактного ПЛМ MERCURY 40 M Серийный номер от 7144763 и выше
Запчасти для 2-х тактного ПЛМ MERCURY 40 M Серийный номер от 7144763 и выше
Запчасти для 2-х тактного ПЛМ MERCURY 40 M Серийный номер от 7144763 и выше в Кисловодске: актуальный каталог, цены, фото, описание. Купите запчасти для 2-х тактного плм mercury 40 m серийный номер от 7144763 и выше в кредит – оформите заявку онлайн за 1 минуту!
Указана ориентировочная сумма ежемесячной оплаты. Подробнее уточняйте у менеджера
Вернем до 10% бонусами при оплате наличными или по счету. Бонусами можно оплатить 10% от стоимости при покупке экипировки, аксессуаров, запчастей, велосипедов и т.д. (все товары, кроме техники).
Гарантируем цены ниже или вернем 110% разницы. Если вы нашли дешевле, сообщите нам, отправьте ссылку на
товар, мы проверим, если магазин является официальным дилером и обновления не является «приманкой с заниженной
ценой», мы сделаем Вам скидку в 110% от разницы цены, у нас цена гарантированно будет ниже!