Маркетплейс для
активного отдыха
Каталог товаров

Запчасти

Крепления 2-Х ТАКТНОГО ПЛМ MERCURY 90 Серийный номер от 0A996142 до 0B240450

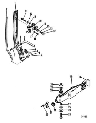
Картинка

Нужна помощь менеджера?

Обратиться за помощью
Артикул Фото Наименование Кол-во деталей в узле Примечание Наличие Цена Аналоги
Сортировать:
По номеру
  • По номеру
  • По артикулу
  • По названию
  • По цене
Артикул Фото Наименование Кол-во деталей в узле Примечание Наличие Цена Аналоги
1 1. Арт - 42965A2 BRACKET ASSEMBLY, COWL SEAL (MARINER) BRACKET ASSEMBLY, COWL SEAL (MARINER) Кол-во деталей в узле: 1 1 Под заказ

Уточнить цену

Купить
2 2. Арт - 42965A1 BRACKET ASSEMBLY, COWL SEAL (MERCURY) BRACKET ASSEMBLY, COWL SEAL (MERCURY) Кол-во деталей в узле: 1 1 Под заказ

Уточнить цену

Купить
3 3. Арт - 183061 SEAL, BRACKET SEAL, BRACKET Кол-во деталей в узле: 2 2 Под заказ

Уточнить цену

Купить
4 4. Арт - 42935 SEAL SEAL Кол-во деталей в узле: 1 1 Под заказ

Уточнить цену

Купить
5 5. Арт - 42908 RESTRAINT RESTRAINT Кол-во деталей в узле: 1 1 Под заказ

Уточнить цену

Купить
6 6. Арт - 400015 SCREW, STATOR ATTACHING (10MM) - MANUAL SCREW, STATOR ATTACHING (10MM) - MANUAL Кол-во деталей в узле: 1 1 Под заказ

Уточнить цену

Купить
7 7. Арт - 42118 WASHER, OIL RESERVOIR SCREW WASHER, OIL RESERVOIR SCREW Кол-во деталей в узле: 1 1 Под заказ

Уточнить цену

Купить
8 8. Арт - 42907 CONNECTOR, TELL TALE CONNECTOR, TELL TALE Кол-во деталей в узле: 1 1 Под заказ

Уточнить цену

Купить
9 9. Арт - 932642 HOUSING, Hinge HOUSING, Hinge Кол-во деталей в узле: 2 2 Под заказ

Уточнить цену

Купить
10 10. Арт - 4000120 SCREW, STATOR ATTACHING (25MM) SCREW, STATOR ATTACHING (25MM) Кол-во деталей в узле: 2 2 Под заказ

Уточнить цену

Купить
11 11. Арт - 42952T6 BRACKET, SUPPORT (FRONT) (MARINER) BRACKET, SUPPORT (FRONT) (MARINER) Кол-во деталей в узле: 1 1 Под заказ

Уточнить цену

Купить
12 12. Арт - 42952T BRACKET, SUPPORT (FRONT) (MERCURY) BRACKET, SUPPORT (FRONT) (MERCURY) Кол-во деталей в узле: 1 1 Под заказ

Уточнить цену

Купить
13 13. Арт - 67260 SEAL, CONTROL CABLES SEAL, CONTROL CABLES Кол-во деталей в узле: 1 1 Под заказ

Уточнить цену

Купить
14 14. Арт - 67272 GROMMET, STEERING ARM BRACKET GROMMET, STEERING ARM BRACKET Кол-во деталей в узле: 2 2 Под заказ

Уточнить цену

Купить
15 15. Арт - 99447 RETAINER RETAINER Кол-во деталей в узле: 1 1 Под заказ

Уточнить цену

Купить
16 16. Арт - 88621 RETAINER, CONTROL CABLES (NON POWER TRIM) RETAINER, CONTROL CABLES (NON POWER TRIM) Кол-во деталей в узле: 1 1 Под заказ

Уточнить цену

Купить
17 17. Арт - 8M0108349 Шланг (HOSE-70 INCH) Шланг (HOSE-70 INCH) Кол-во деталей в узле: 1 1 Под заказ

Уточнить цену

Купить
18 18. Арт - 814803 Шайба (WASHER) Шайба (WASHER) Кол-во деталей в узле: 8 8 Под заказ

Уточнить цену

Купить
19 19. Арт - 40011109 Болт (SCREW) Болт (SCREW) Кол-во деталей в узле: 2 2 Под заказ

Уточнить цену

Купить
20 20. Арт - 814806 Шайба (WASHER) Шайба (WASHER) Кол-во деталей в узле: 8 8 Под заказ

Уточнить цену

Купить