Мы используем cookie для наилучшего представления нашего сайта. Подробнее об этом в Политике конфиденциальности.
Ок

Кисловодск

Ваш город:
Кисловодск (Ставропольский край)?
Нет
Да
Каталог
Каталог Написать в WhatsApp
Мотоэкипировка

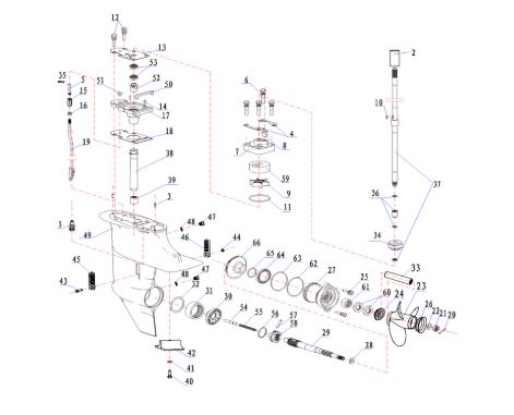
Запчасти для 2-х тактного ПЛМ PARSUN T18BM

Запчасти для 2-х тактного ПЛМ PARSUN T18BM в Кисловодске: актуальный каталог, цены, фото, описание. Купите запчасти для 2-х тактного плм parsun t18bm в кредит – оформите заявку онлайн за 1 минуту!
Для ускорения поиска, Ты можешь ввести здесь часть названия детали, например «Поршень»

On-line каталоги

Главная Магазины
Корзина0
Профиль